Клапан приоритета бойлера ГВС ZOTA BPV предназначен для обеспечения потребителя горячим водоснабжением при совместной работе котла отопления и косвенного водонагревателя (бойлера).
Клапан может применяться совместно с электрическими или газовыми котлами, в которых предусмотрены:
• разъем для питания сервопривода трехходового клапана с переменным напряжением 220 В;
• датчик температуры теплоносителя в котле;
• датчик температуры ГВС.
Клапан устанавливается в контур системы отопления и в автоматическом режиме перенаправляет теплоноситель от системы отопления в контур змеевика косвенного водонагревателя и обратно.
Комплект поставки:
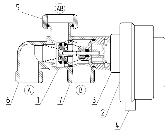
- трехходовой клапан (1),
- электрический линейный привод (2),
- фланец двигателя (3), который фиксирует линейный электропривод в корпусе трехходового клапана,
- трёхконтактная вилка (4), которая служит для подключения кабеля к линейному электроприводу.
Трехходовой клапан имеет один вход (5, АВ), и два выхода: выход в контур змеевика косвенного водонагревателя (7, В), выход в контур отопления.
Конструкция клапана приоритета бойлера ГВС ZOTA BPV:
![]() |
|
| 1 – Трехходовой клапан
2 – Электрический линейный привод 3 – Фланец двигателя 4 – Трёхконтактная вилка 5 – Вход в трехходовой клапан (АВ) |
6 – Выход в систему отопления (А)
7 – Выход в контур змеевика косвенного водонагревателя (В) |
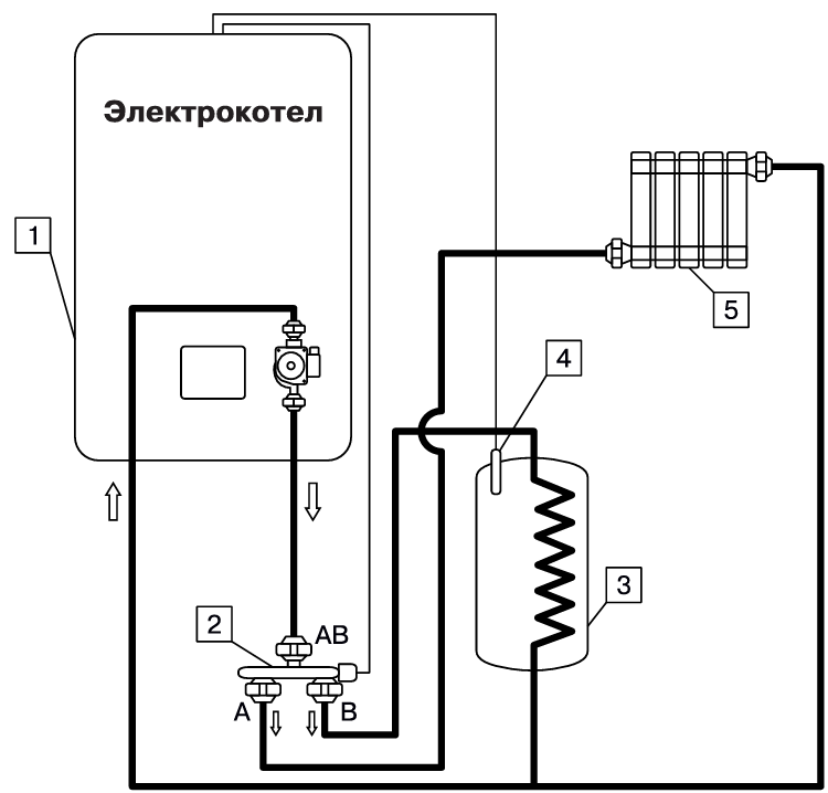
Гидравлическая схема подключения клапана приоритета бойлера ГВС ZOTA BPV
![]() |
1 – Котёл
2 – Трехходовой клапан 3 – Бак водонагревателя ГВС 4 – Датчик температуры ГВС 5 – Отопительные при |



